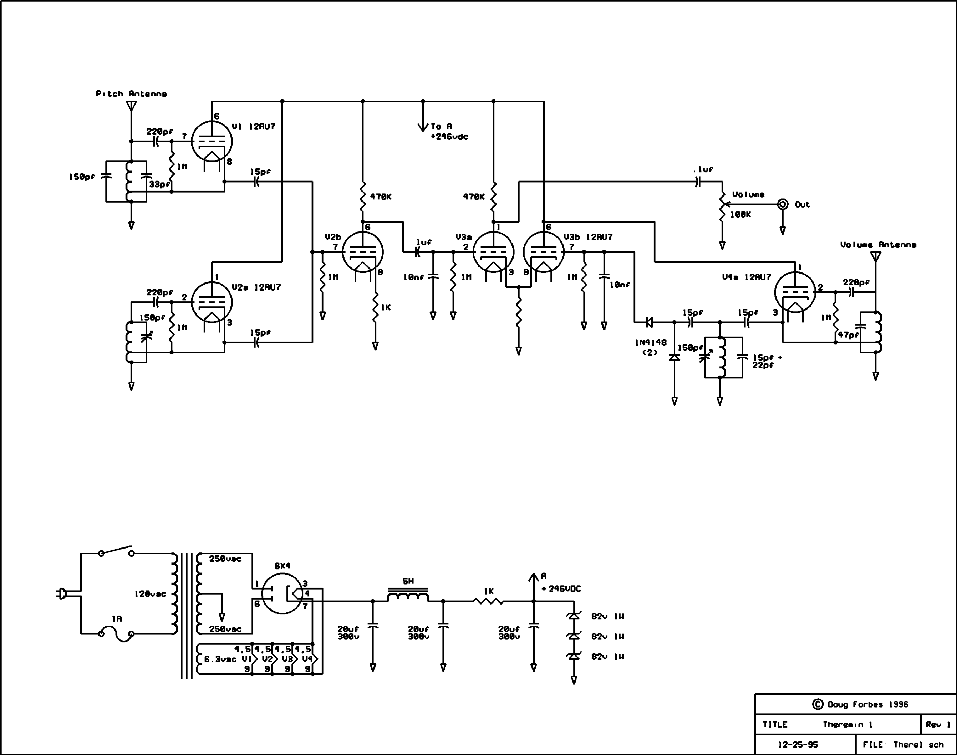
I've got a new sort-of AM project on the bench here now:? a tube Theremin.? This musical instrument produces sound by heterodyning two oscillators that run in the low-end of the broadcast band. I'd like to find three Miller 70-OSC coils or equivalent for this rig - anyone have some??
If you are interested in the circuit, I'm building upon the ideas of Doug Forbes that I found online.? See http://www.wd8das.net/theremin.gif and http://www.wd8das.net/theremin.txt Thanks... Steve WD8DAS [email protected] http://www.wd8das.net/ --------------------------------------------------------- Radio is your best entertainment value. --------------------------------------------------------- ______________________________________________________________ Our Main Website: http://www.amfone.net AMRadio mailing list Searchable Archives: http://www.mail-archive.com/[email protected]/ List Rules (must read!): http://w5ami.net/amradiofaq.html List Home: http://mailman.qth.net/mailman/listinfo/amradio Post: [email protected] To unsubscribe, send an email to [email protected] with the word unsubscribe in the message body. This list hosted by: http://www.qsl.net Please help support this email list: http://www.qsl.net/donate.html

