Hi all,

Thank you Marc, I will follow your advice. Doubts must be removed. I would be glad to know that the big (and expensive) capacitors are OK.

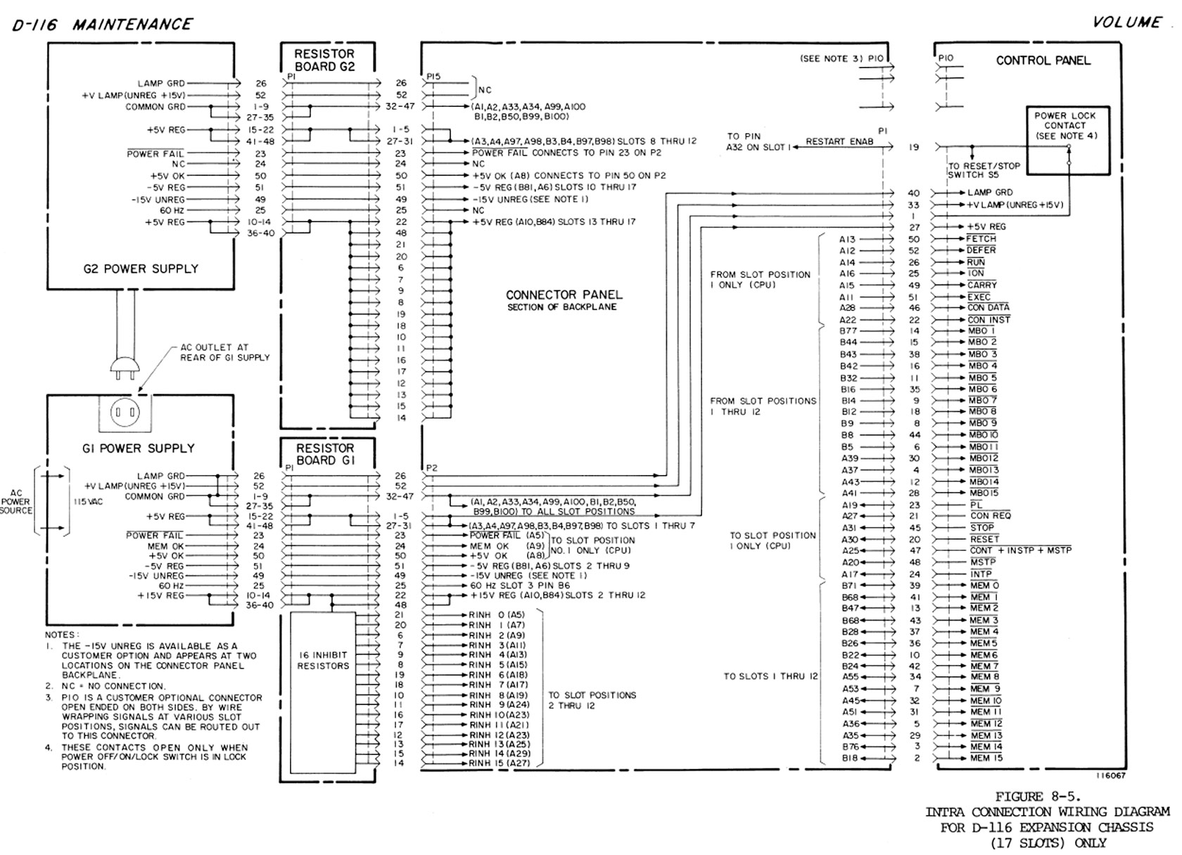
In the meantime I have new information. Following the remarks of Brent Hilpert I sought to have more information on the backplane of my D116-E. I always assumed that the information in the manuals did not match my version of backplane because of this:
http://www.zeltrax.com/classiccmp_forum/backplane/01.jpg

The boards are placed to another slots in the documentation. I put this on the accounts of the many revisions but also the fact that the computer has been distributed by Nixdorf and they probably assembled the elements, and made the setup of the backplane with the wires. Regardless of the configuration of the slots, the wires setup, the associated external connectors, at the level of power supply finally I thinks that should be the same situation on my D116 as on another. In digging into the second manual which does not contain the schematics I found this precious diagram:
http://www.zeltrax.com/classiccmp_forum/backplane/diagram.jpg

I discovered that the common point that brings together the boards causing the Power Fail (HDD controller / Tape controller / Scanner) is the fact that they are in the slots from 8 to 12 which are powered by the regulated +5V of the circuit A2.
http://www.zeltrax.com/classiccmp_forum/backplane/diagram2.jpg

In other words, the circuit + 5V A2 of the power supply G2 serves only to power the boards in the slots from 8 to 12 which cause a power fail if only one of these slots is populated with one of the boards.

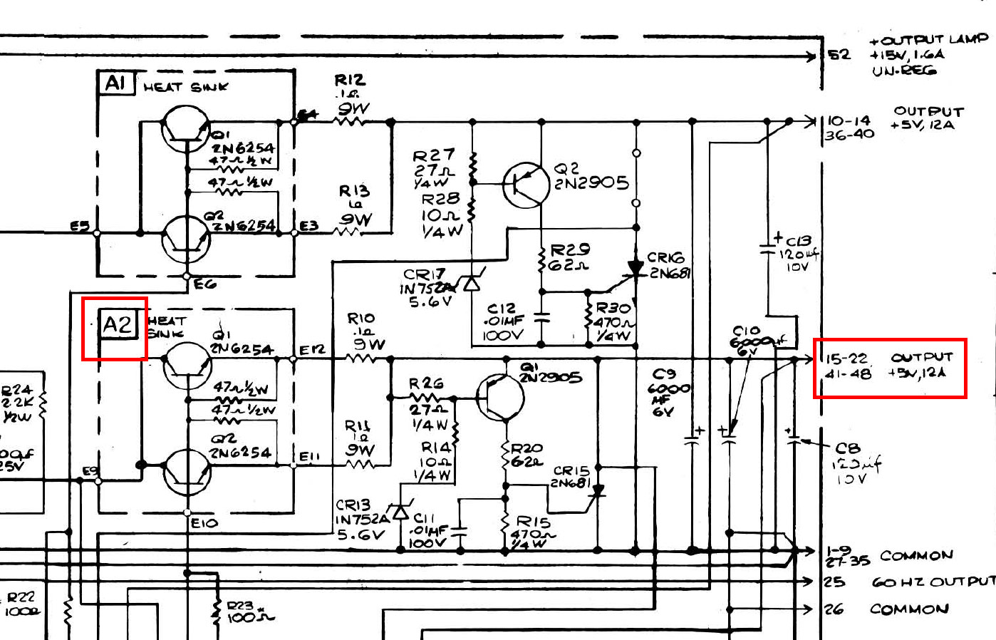
What I don't understood yet is why it's on the pins of A1 (10-14 / 36-40) that I measure a drop of tension?
http://www.zeltrax.com/classiccmp_forum/backplane/pins_a1.jpg

Because A2 is on the pins 15-22 / 41-48
http://www.zeltrax.com/classiccmp_forum/backplane/diagram_a2.jpg

I will re-read the operation of the Power Fail, maybe it supposed to clamp A1 even in case of problem on A2 ? Or I don't understood all the intricacies about the power supply of these antique boards ^^

Anyway I'll do the tests you suggest Marc, it sounds good to have confirmation that the basic level are working well before going any further.

Thank you for your help ;-)

Dominique

On 25/08/2017 06:43, Curious Marc wrote:

Dominique,

I wouldn't worry about the readings on your 0.1 Ohm resistor, you are not going to get any trustable results on something that low without a four wire ohm-meter.

It seems that you have eliminated the power transistors as being the source of the failure.

I'd like to eliminate the rectifier diodes or the big caps as the source of the problem

1- Could you please measure and compare (or better get a scope trace) of the voltage at the F3 and F2 fuses when the voltage drops. If the voltage also drops at the fuse (pre-regulation) then either your caps/diode combo is not good, or your boards are drawing too much current.

2-If that's the case, you could also easily swap the power source for the two regulators. Temporarily lifting both fuses on the output side , and cross wire F2 to feed A2 and F3 to feed A1. If the fault moves, that would strongly  indicate that one of the cap/diode combo is bad. If it does not, then either the regulation circuitry is bad or the boards draw an anomalous amount of power.

3-Measure how much each board is pulling (as far as amps). You can do this easily by removing the fuse and putting an ammeter in its place, then plug each board one at a time, and read what the amperage is.

4-Do a similar measurement adding boards one by one and see at which amperage the voltage starts to degrade, and if it exceeds the design criterion for the power supply.

Marc

*From: *cctalk <[email protected]> on behalf of "[email protected]" <[email protected]> *Reply-To: *Dominique Carlier <[email protected]>, "[email protected]" <[email protected]>
*Date: *Wednesday, August 23, 2017 at 6:17 AM
*To: *"[email protected]" <[email protected]>
*Subject: *Re: DCC-116 E / DATA GENERAL NOVA 2/10 / Nixdorf 620 - Restoring and restarting

Here is the situation.

The + 5V 12A that collapses comes out from pins 10-14 / 36-40, the other

+ 5V 12A (pins 15-22 / 36-40) never goes down.

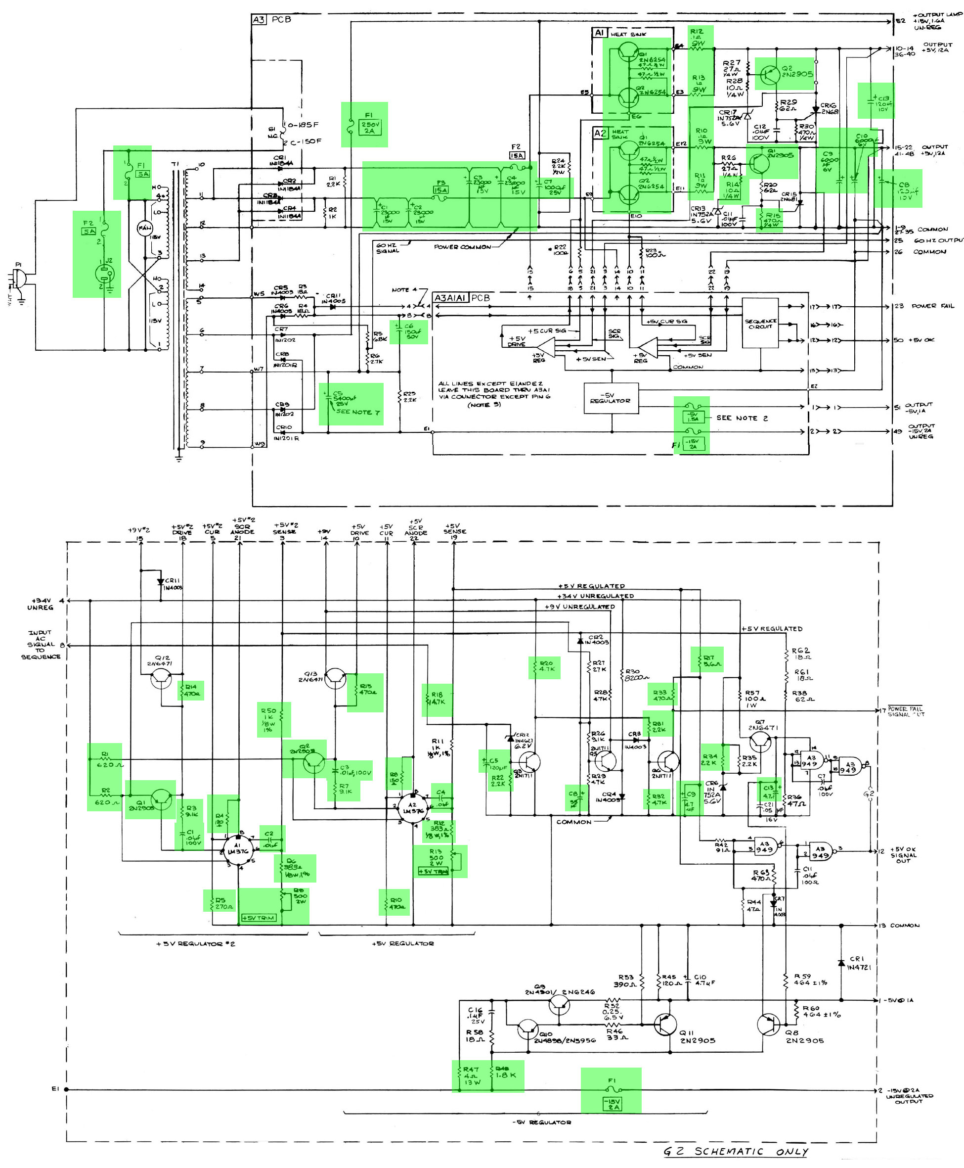
All that I surrounded in green on that image (1950×2361, zoomable) are

the components that I tested on the power supply G2, A3 motherboard,

regulation board and heatsink A1 + A2:

http://www.zeltrax.com/classiccmp_forum/psu_g2_test/g2_tested_components.jpg

To eliminate some doubts and because I do not have some spare parts on

hand, I switched the modules A1 and A2, same result. Idem with the

transistors 2N2905, same result.

The result is always the same : it's always the +5V on pins 10-14 /

36-40 that collapses, never the other output.

Some resistors are not yet tested is because these must be de-soldered

for a valid test, but the printed circuit is very fragile and many

component have legs bent into the weld.

Except for the not tested components (among others the LM376, the

rectifier diodes) At this stage I start again to suspect a little

everything. The famous large capacitors of the power supply (C1 to C4).

But also a possible problems on the boards of the computer itself.

As one of you mentioned, the hypothesis of shorted decoupling capacitors

on the boards could put the power supply in default.

Note that the machine runs normally with the CPU board, three core

memory boards (400w each) + two multiplexing boards for terminals + the

printer board.

If I add only one of these remaining board:

- Disk Pack Controller

- 9-track tape Controller

- "scanner" board (also for terminals)

-> Power Fail.

Note that : if I only connect the CPU and the disk pack controller card:

Power Fail too !!

What makes me doubtful about this scenario is that I can not imagine

that these three boards, each causing the Power Fail, could fail

simultaneously. Remember that the first time I powered up the beast (one

big hour), the machine was working with all the boards and Power Fail

appeared at once.

I have not retested since but also note that by adding an external power

supply just for the deficient + 5V , the machine has restarted and even

booted the operating system.

If you have another ideas? LM376?

Thanks

Dominique

On 20/08/2017 09:08, Brent Hilpert wrote:

    On 2017-Aug-19, at 12:10 PM, Dominique Carlier via cctalk wrote:

        Maybe it's better to give us all the useful information these
        power supplies, moreover it might be useful to other people
        with the same computer.

        An overall bloc diagram of the D-116 power supply including G1
        and G2.

        http://www.zeltrax.com/classiccmp_forum/psu_overall_bloc_diagram.jpg

        The complete schematics of the part of the power supply named G2.

        http://www.zeltrax.com/classiccmp_forum/g2_schematics.jpg

        A drawing of the regulation board of the power supply G2 with
        the physical locations of the components.

        http://www.zeltrax.com/classiccmp_forum/g2_regulator_board.jpg

        The schematics of this regulation board.

        
http://www.zeltrax.com/classiccmp_forum/g2_regulator_board_schematics.jpg

        And a bit of literature concerning the principle of operation
        about the regulation with this PSU (you will understand better
        why I am a little bit lost ;-) This principle of regulation
        with a panoply of verification and Protection systems
        everywhere is unusual for me)

        http://www.zeltrax.com/classiccmp_forum/psu_regulation_principe.jpg

        I have already tried without the CPU board: same symptoms.
        Next step, try to check the capacitors in operation.

            Results of the observations:

            - This is definitely the regulated +5V of the G2 power
            supply. More I add boards more the + 5v level goes down.
            +5v, +4.8v, +3.6v, +2.9v. It remains stable however with
            just the CPU and the three core memory boards, it becomes
            difficult for the power supply when I add boards in
            addition to these.

            - This is definitely not a problem at the level of the
            Power Fail circuit.

            - The big capacitors are not in fault (I rechecked twice).

            - So this maybe a problem at the level of the regulation
            itself, the +5V balancing system ?

            Question: a faulty voltage regulator can behave in this
            way? I always thought it worked or it did not work, but
            not between the two states depending on the charge.

    (In answer to the question, yes, a faulty regulator can produce
    'in-between' output voltage.)

    As is typical for power supplies of this type and era, this power
    supply includes current limiting circuitry.

    The current-limiting circuitry will throttle down the output
    voltage (not shut it off completely) as the output current draw
    goes above a design limit.

    This would appear to fit the symptoms you describe.

    The current-limiting circuitry works by placing a small-value
    resistor in the current path after the main regulator
    transistor(s) (aka pass transistors) but prior to the
    voltage-regulation sense point.

    A transistor senses the voltage across this R.

    As the output current increases, the voltage across the
    current-sense R increases, at some point the transistor starts to
    turn on, and the transistor is connected in such a way that as it
    turns on it reduces the drive to the pass transistors, throttling
    down the output voltage.

    Arbitrarily using the "A2" heatsink half of the two +5 supplies in
    this power supply for component references, the current-sense R is
    comprised of a series-parallel circuit formed by the BE junctions
    of the 2 pass transistors (A2.Q1, A2.Q2), the two 0.1ohm Rs on the
    emitters of the pass transistors (A3.R10,A3.R11), the 47ohm Rs
    between B&E of those transistors, A3.R23, A3A1A1.R8, 376.R9, along
    with additional influence by 376.R8 and A3A1A1.R10.

    The current sense transistor is inside the LM376 (see internal
    schematic), 376.Q16 between pins 1 & 8, controlling the 1st-stage
    driver transistor 376.Q14.

    There are various things that could go wrong on this circuitry.

    Anything that upsets the current-sense resistance network to cause
    the net R to increase will lower the output current that can be
    drawn (that is, the current limiting circuitry will start kicking
    in too 'early').

    A likely scenario is one of the pass transistors has failed open.

    This would take out a parallel leg of the current-sense resistance.

    All current would  be forced through the good pass transistor and
    it's emitter resistor, raising the current-sense voltage for a
    given output current.

    The current-limiting circuitry would kick in at a lower current
    than the design intention.

    This is beneficial inasmuch as it would work to save the good pass
    transistor.

    The 0.1 ohm 9W emitter resistors are critical, although they're
    probably wirewound and fairly reliable unless quite overstressed.

    One of these resistors being open would result in the same
    operation as an open pass transistor.

    You'll have difficulty measuring them with accuracy but you could
    do some sanity checks for continuity around both the pass
    transistor circuit legs,

    as well as checking the pass transistor BC/BE junctions.

    (In principle, the 'proper' thing to do in this area is look at
    what the current-sense voltage is doing, but that requires knowing
    what the target V is. Could compare with the other half of the
    supply.)

    None of this is to suggest this area is necessarily at fault, or
    rule out other areas of the supply.

    Another possible fault that would fit the symptom (decreasing
    voltage as current draw increases, if that's what's going on) is
    inadequate (partially failed) drive to the pass transistors.

    In short, anything reducing the power gain of the regulator error
    amplifier could produce this symptom.


Reply via email to