First Generation Firebird-L Mailing List .........................................................................
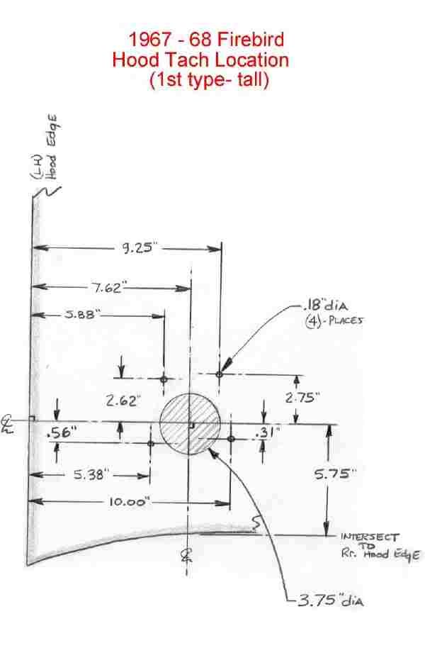
Hi Jeremy, I'll send these to you directly, but this may help some in the mean time: http://i69.photobucket.com/albums/i78/brettNheather/Reference%20Images/3cbf.jpg http://i69.photobucket.com/albums/i78/brettNheather/Reference%20Images/573a.jpg http://i69.photobucket.com/albums/i78/brettNheather/Reference%20Images/tachclock1.jpg Brett - 67 Drop Top 455! From: "Jeremy Compton" <[email protected]> Hey everybody, I'm putting a '67 hood tach on a 400 hood. I got these specs for placement out of the FAQs. I just wanted to run them by everyone here to see if anyone has a differing opinion before I cut a giant hole in my OEM hood. Thanks. From the FAQ: :I'll give it a try... here goes....All references are as though you are sitting in the drivers seat; therefore "right" means closest to the center of the hood, "front" means closest to the bumper, etc. Aussies, you're on your own! ;-) 1. From the left rear corner of the tach to the left edge of the hood is 4.75" 2. From the left rear corner of the tach to the rear edge of the hood is 3.75" 3. From the right rear corner of the tach to the rear edge of the hood is 2 13/16" (two and thirteen sixteenths inches) Ulitmately, I would fudge these numbers a little bit in order to get the tach face square to the axis of the car. Hole size required in the hood is 3.75". It is not drilled directly in the middle of the tach space, but is offset in one direction to accommodate the tach housing and wires below. I had a paper detailing this hole as well, but I've misplaced it. You're on your own with that. If I find it, I'll let the group know... _________________________________________________________________ Your E-mail and More On-the-Go. Get Windows Live Hotmail Free. http://clk.atdmt.com/GBL/go/196390709/direct/01/ ------------------------------------------------------------------------ Submissions to Firebird-L: <[email protected]> Unsubscribe from Firebird-L: <[email protected]> Help: <http://FirstGenFirebird.org/firebird/Firebird-L.html> Classifieds: <http://FirstGenFirebird.org/ubb/> Owner Pictures: <http://FirstGenFirebird.org/show/>
