A straightforward linear supply. We should be able to get that puppy working. Looks like you have two of the same thing on G2, two +5V supplies. You could take advantage of that and compare voltages of one against the other at several points. You coukd also monitor the voltage on the non regulated side of the power transistors, if that crashes too, it's more likely it's a problem in the caps or the rectifier diodes. If it crashes after, transistors or regulation circuit could be suspect. Maybe we can do a Skype "en Francais" and debug it together. Marc
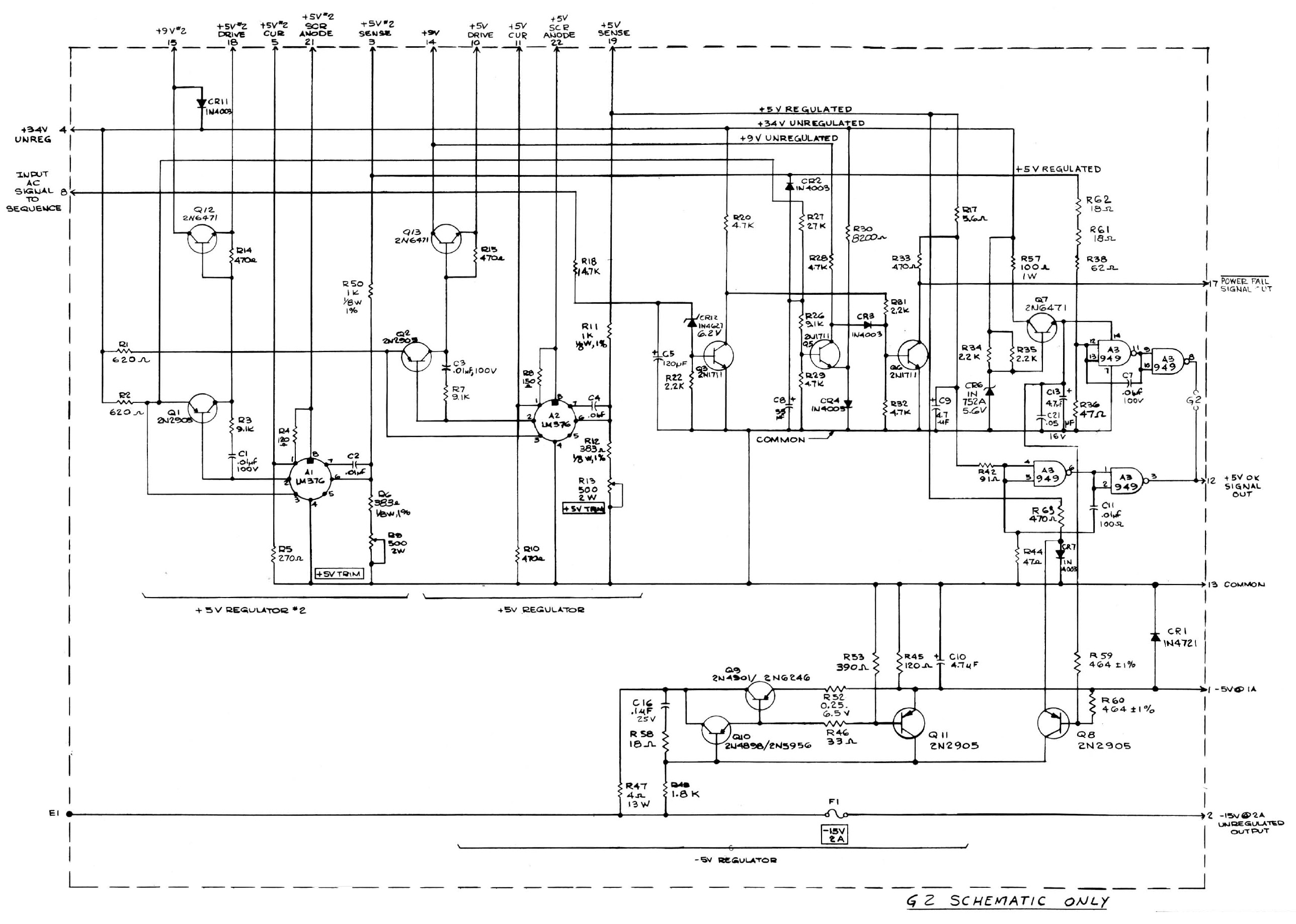
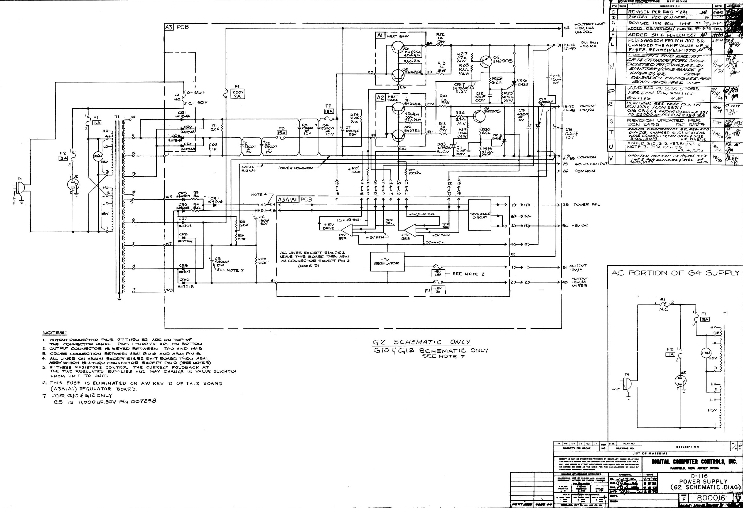
On Aug 19, 2017, at 12:10 PM, Dominique Carlier via cctalk <[email protected]> wrote: Maybe it's better to give us all the useful information these power supplies, moreover it might be useful to other people with the same computer. An overall bloc diagram of the D-116 power supply including G1 and G2. http://www.zeltrax.com/classiccmp_forum/psu_overall_bloc_diagram.jpg The complete schematics of the part of the power supply named G2. http://www.zeltrax.com/classiccmp_forum/g2_schematics.jpg A drawing of the regulation board of the power supply G2 with the physical locations of the components. http://www.zeltrax.com/classiccmp_forum/g2_regulator_board.jpg The schematics of this regulation board. http://www.zeltrax.com/classiccmp_forum/g2_regulator_board_schematics.jpg And a bit of literature concerning the principle of operation about the regulation with this PSU (you will understand better why I am a little bit lost ;-) This principle of regulation with a panoply of verification and Protection systems everywhere is unusual for me) http://www.zeltrax.com/classiccmp_forum/psu_regulation_principe.jpg I have already tried without the CPU board: same symptoms. Next step, try to check the capacitors in operation. And because all this is a little bit boring, here is, as a small gift, a photo gallery of the machine under different angles ;-) Ensemble http://www.zeltrax.com/classiccmp_forum/serie01/ensemble_01.jpg http://www.zeltrax.com/classiccmp_forum/serie01/ensemble_02.jpg <http://www.zeltrax.com/classiccmp_forum/serie01/ensemble_02.jpg> D-116 Front panel http://www.zeltrax.com/classiccmp_forum/serie01/d116_front_panel_01.jpg http://www.zeltrax.com/classiccmp_forum/serie01/d116_front_panel_02.jpg http://www.zeltrax.com/classiccmp_forum/serie01/d116_front_panel_03.jpg D-116 open rack http://www.zeltrax.com/classiccmp_forum/serie01/d116_open_01.jpg http://www.zeltrax.com/classiccmp_forum/serie01/d116_open_02.jpg G2 regulator board http://www.zeltrax.com/classiccmp_forum/serie01/g2_regulator_board.jpg Disk Pack drive Diablo Model 40 http://www.zeltrax.com/classiccmp_forum/serie01/diskpack_drive_01.jpg http://www.zeltrax.com/classiccmp_forum/serie01/diskpack_drive_02.jpg http://www.zeltrax.com/classiccmp_forum/serie01/diskpack_drive_03.jpg Mag-tape Pertec 8840A http://www.zeltrax.com/classiccmp_forum/serie01/pertec_close.jpg http://www.zeltrax.com/classiccmp_forum/serie01/pertec_open_01.jpg http://www.zeltrax.com/classiccmp_forum/serie01/pertec_open_02.jpg http://www.zeltrax.com/classiccmp_forum/serie01/pertec_open_03.jpg http://www.zeltrax.com/classiccmp_forum/serie01/pertec_open_04.jpg http://www.zeltrax.com/classiccmp_forum/serie01/pertec_open_05.jpg Drum printer Data Products model 2230 http://www.zeltrax.com/classiccmp_forum/serie01/printer_01.jpg http://www.zeltrax.com/classiccmp_forum/serie01/printer_02.jpg http://www.zeltrax.com/classiccmp_forum/serie01/printer_03.jpg Terminal Entrex http://www.zeltrax.com/classiccmp_forum/serie01/terminal.jpg http://www.zeltrax.com/classiccmp_forum/serie01/terminal_nacked.jpg Rear panel / connectors http://www.zeltrax.com/classiccmp_forum/serie01/rear_panel.jpg From inside http://www.zeltrax.com/classiccmp_forum/serie01/flat_cables.jpg http://www.zeltrax.com/classiccmp_forum/serie01/from_inside.jpg <http://www.zeltrax.com/classiccmp_forum/serie01/from_inside.jpg> Haa I can't wait to operate this heavy machine! ;-) Dominique
